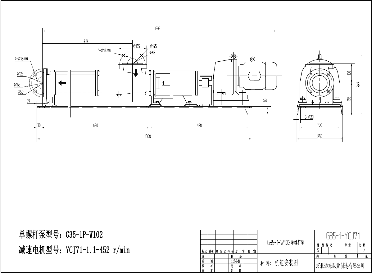
泥漿污泥泵G35-1P-W102單螺桿泵尺寸圖,該泵配YCJ71減速器,配用電機功率1.1KW,減速器轉速452r/min,進口尺寸65,出口尺寸50

●單螺桿泵特性
1. 輸送范圍廣泛:從含固量60%的物料,且粘度高達1,000,000CPS的物料均可有效輸送。
2. 機械振動及噪聲低,運行中物料沒有攪動、剪切、湍流和攪拌。
3. 自吸能力強,吸上真空高度可達8.5米(28英尺)。
4. 由鋼性的轉子與彈性的定子組成的特殊結構使其具有能輸送含固體顆粒的物料。
5. 流量與轉速成線性關系,可以方便的能過調整轉速來控制流量,通常可作計量泵用。
6. 不銹鋼(304,316,316L,904,329J1等)轉子,表面經過特殊工藝物化處理,表面硬度可達HRC55-60,耐腐耐磨。
單螺桿泵產品類型:
