河北遠東泵業(yè)制造有限公司
0317- 8185455
hbydby@126.com
河北省泊頭市道東街88號
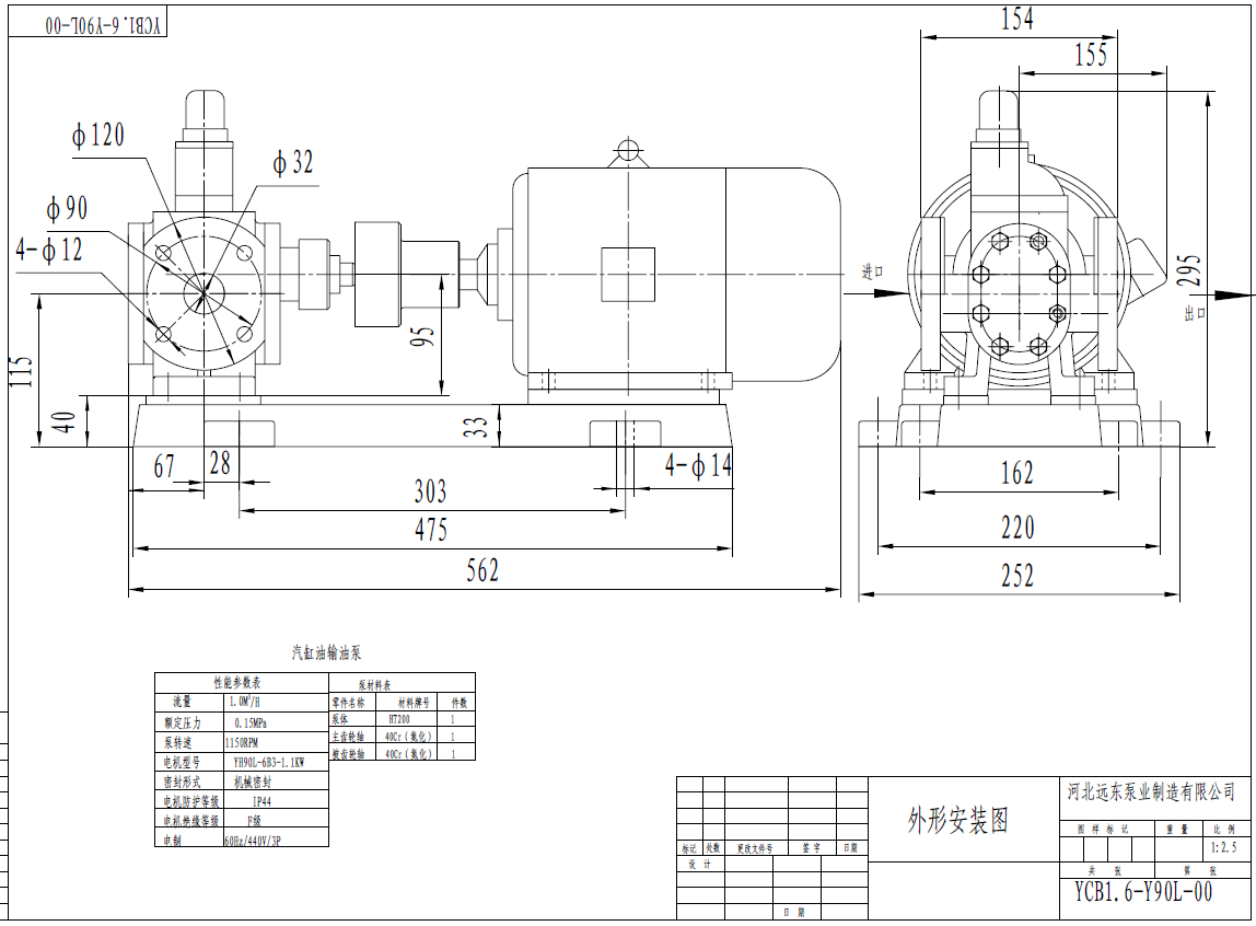
輸油齒輪泵YCB1.6齒輪油泵安裝尺寸圖,YCB1.6/0.6齒輪泵,流量:1.6m3/h,壓力:0.6Mpa,吸入真空高度5.5米,口徑32mm,配電機:Y90S-6

YCB齒輪泵結(jié)構(gòu)優(yōu)點:
1.結(jié)構(gòu)緊湊,使用和保養(yǎng)方便。
2.具有良好的自吸性,故每次開泵前無須灌入液體。
3.潤滑是靠輸送的液體而自動達到的,故日常工作時無須別加潤滑油。