河北遠(yuǎn)東泵業(yè)制造有限公司
0317- 8185455
hbydby@126.com
河北省泊頭市道東街88號(hào)
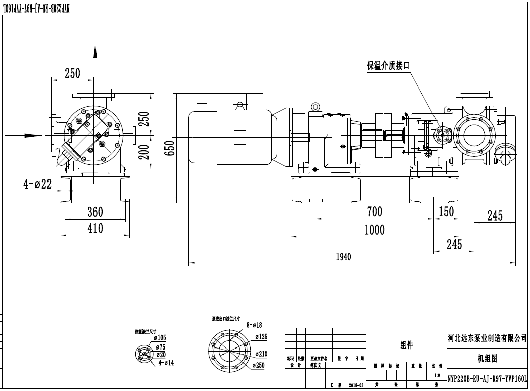
輸送硅酮玻璃膠泵NYP220B-RU-M1-AJ-W11轉(zhuǎn)子泵整機(jī)尺寸圖,該轉(zhuǎn)子泵進(jìn)口口徑125mm,出口口徑125mm,該泵右進(jìn)上出,泵配安全閥,用導(dǎo)熱油,熱水或者蒸汽進(jìn)行保溫.因?yàn)檩斔透哒扯冉橘|(zhì)該泵需要配減速器,該尺寸圖配減速器型號(hào)為R97,電機(jī)功率15kw.
