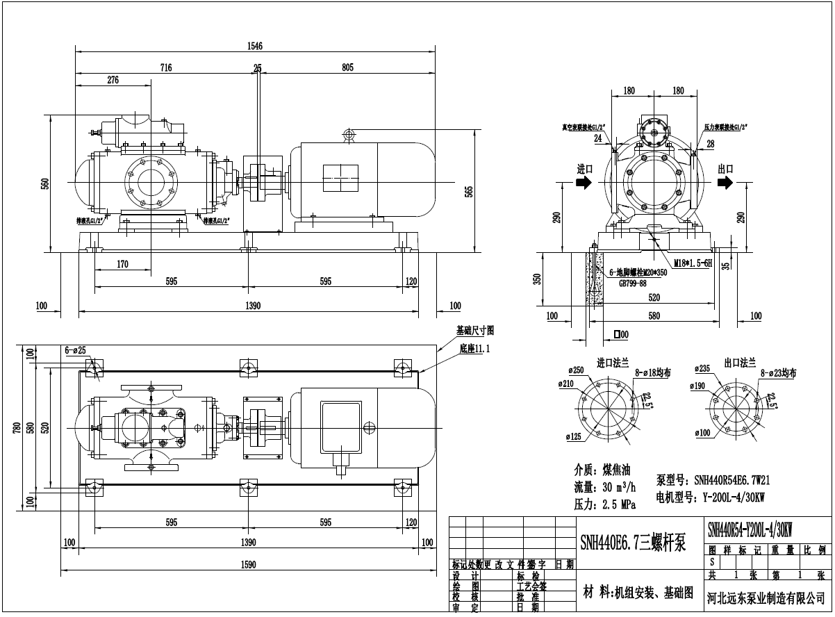
煤焦油輸送泵SNH440R54E6.7W21三螺桿泵配電機Y30KW-4電機,流量30m3/h,壓力2.5Mpa,機組安裝尺寸圖

●特點:
1.轉子液壓平衡,振動小,噪音低。
2.輸出穩(wěn)定,無脈動。
3.高效率。
4.具有很強的自吸能力。
5.零部件采用通用性強的系列化設計,具有多種安裝方式。
6.結構緊湊,體積小,重量輕,可在較高轉速下工作。
●輸送介質種類:
a. 潤滑性液體:如機械油,滑油,重油,渣油
b. 低潤滑性液體:如輕柴油,重柴油,含蠟稀油
c. 粘性液體:如各種合成橡膠液和人造膠液,乳化液
●應用:
·在供熱設備中用做燃油,燃油供應和輸送泵。
·在機械工業(yè)中用做液壓,潤滑和搖控馬達泵。
·在石油和食品工業(yè)中用做裝載,輸送和供液泵。
·在船舶上用做輸送、增壓、燃油噴射和潤滑油泵以及船用液壓裝置泵.